气动煤气快速切断阀--产品概述:
气动煤气快速切断阀是在吸收国内外技术的基础上,根据用户的实际工况而设计的新一代气动煤气快速切断阀,它由防爆电磁阀过滤器回讯器气动装置及蝶阀组合而成,适用于加热炉煤气、高炉煤气、转炉煤气、除尘管道等可燃性气体管道中要求快速切断场合。因它采用特殊的耐腐蚀性材料及高新技术阻止烟尘进入轴套,达到蝶阀开关灵活不卡死,经过客户多年的使用,效果显著。
气动煤气快速切断阀--性能特点:
气动煤气快速切断阀:气动切断快,密封性能好,无泄漏
公称压力:0.60MPa
强度试验压力:0.9MPa
密封试验压力:0.66MPa
适用温度:≤200℃
适用介质:加热炉煤气、高炉煤气、转炉煤气等
阀体部分(煤气专用蝶阀)阀杆采用镀铬处理,填料为高温石墨,并且在上下轴之间经过特殊工艺处理,装配防锈死装置。经过这些特殊工艺之后阀门具备耐腐蚀、抗焦油、还具备有限防止烟尘进入轴承内,从而保证阀门开关灵活不卡死,在管道中起到截断介质的作用。
气动煤气快速切断阀--工作原理:
气动煤气快速切断阀上的有单作用(双作用)气动装置,由单作用(双作用)气缸.活塞.连杆.箱体输出轴等零件组成的机械传动机构和电磁阀.过滤减压阀等控制元件组成。当气动执行装置与电路和系统气源接通后,电磁阀接收到24V电压信号转换成输出气压力,使压缩空气进入缸体一端,推动活塞向另一端移动,活塞通过连杆等零件带动输出轴运转实现阀门快速启闭。同时回讯器根据阀门的启闭位置来反馈输出的控制信号正确定位。
气动煤气快速切断阀--执行标准:
1、设计制造:GB12238;
2、法兰连接尺寸;GB9115;
3、检验和试验:GB/T13927
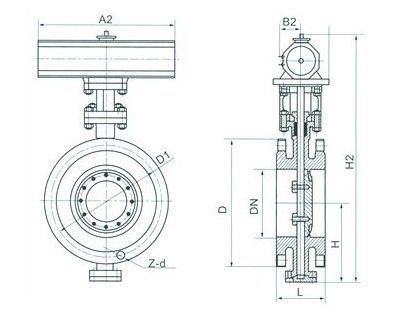
气动煤气快速切断阀--主要连接及外形尺寸:

|
公称通径 |
结构长度L |
外形尺寸(参考值) |
连接(标准值) |
参考 |
||||||||||
|
H |
Dt343H |
PN0.6MPa |
PN1.0MPa |
|||||||||||
|
mm |
inch |
短 |
长 |
H1 |
A1 |
B1 |
D |
D1 |
z-d |
D |
D1 |
z-d |
||
|
50 |
2 |
108 |
150 |
112 |
350 |
180 |
200 |
140 |
110 |
4-14 |
165 |
125 |
4-18 |
17 |
|
65 |
5/2 |
112 |
170 |
115 |
370 |
180 |
200 |
160 |
130 |
4-14 |
185 |
145 |
4-18 |
20 |
|
80 |
3 |
114 |
180 |
120 |
380 |
180 |
200 |
190 |
150 |
4-18 |
200 |
160 |
8-18 |
23 |
|
100 |
4 |
127 |
190 |
138 |
420 |
180 |
200 |
210 |
170 |
4-18 |
220 |
180 |
8-18 |
25 |
|
125 |
5 |
140 |
200 |
164 |
460 |
180 |
200 |
240 |
200 |
8-18 |
250 |
210 |
8-18 |
40 |
|
150 |
6 |
140 |
210 |
175 |
555 |
270 |
280 |
165 |
225 |
8-18 |
285 |
240 |
8-22 |
47 |
|
200 |
8 |
152 |
230 |
208 |
605 |
270 |
280 |
320 |
280 |
8-18 |
340 |
295 |
8-22 |
60 |
|
250 |
10 |
165 |
250 |
243 |
680 |
270 |
280 |
375 |
335 |
12-18 |
395 |
350 |
12-22 |
95 |
|
300 |
12 |
178 |
270 |
283 |
800 |
380 |
420 |
440 |
395 |
12-22 |
445 |
400 |
12-22 |
124 |
|
350 |
14 |
190 |
290 |
310 |
835 |
380 |
420 |
490 |
445 |
12-22 |
505 |
460 |
16-22 |
181 |
|
400 |
16 |
216 |
310 |
340 |
915 |
450 |
470 |
540 |
495 |
16-22 |
565 |
515 |
16-26 |
260 |
|
450 |
18 |
222 |
330 |
380 |
960 |
480 |
490 |
595 |
550 |
16-22 |
615 |
565 |
20-26 |
338 |
|
500 |
20 |
229 |
350 |
410 |
1020 |
480 |
490 |
645 |
600 |
20-22 |
670 |
620 |
20-26 |
360 |
|
600 |
24 |
267 |
390 |
470 |
1225 |
480 |
660 |
755 |
705 |
20-26 |
780 |
725 |
20-30 |
540 |
|
700 |
28 |
292 |
430 |
550 |
1355 |
640 |
660 |
860 |
810 |
24-26 |
895 |
840 |
24-30 |
580 |
|
800 |
32 |
318 |
470 |
640 |
1470 |
640 |
660 |
975 |
920 |
24-30 |
1015 |
950 |
24-33 |
845 |
|
900 |
36 |
330 |
510 |
710 |
1545 |
750 |
860 |
1075 |
1020 |
24-30 |
1115 |
1050 |
28-33 |
1050 |
|
1000 |
40 |
410 |
550 |
770 |
1795 |
850 |
860 |
1175 |
1120 |
28-30 |
1230 |
1160 |
28-36 |
1500 |
|
1200 |
48 |
470 |
630 |
890 |
1965 |
850 |
900 |
1405 |
1340 |
32-33 |
1455 |
1380 |
32-39 |
2000 |
工开阀门承诺:
(1) 严格按照合同要求,提供符合设计标准,质量合格的产品。
(2)严格检查和控制原材料、原器件、配套件的进厂质量。
(3)保证所供设备加工工艺完善、检测手段完备。产品绝不带缺陷出厂。对涉及分包商的供货、质量、设备性能、技术接口、服务等方面问题全部责任。 (4)按合同规定的关键部件必须符合有关资质的要求,并经需方认可。
(5) 按合同规定向监造单位提供有关部门标准和图纸,并为监造提供方便并对监造设备的停工待检部位提前7天通知需方及监造代表,需方所派监造是督促我方按标准生产合格产品,但并不减我方的一切质量责任。
(6) 对设备制造过程中出现的质量缺陷及时向需方和监造代表通报、不隐瞒。若设备缺陷超过合同规定的标准,供方无条件更换。在安装和试运行过程中,设备出现质量问题,先处理问题,再分清责任,一切以满足工程进度需要为准则。
吕经理
地址:上海市普陀区真北路3199号星云经济区
电 话:13524573866
E-mail:llwwf@163.com